Technical Highlights
Model: CASE 2050M Crawler Dozer
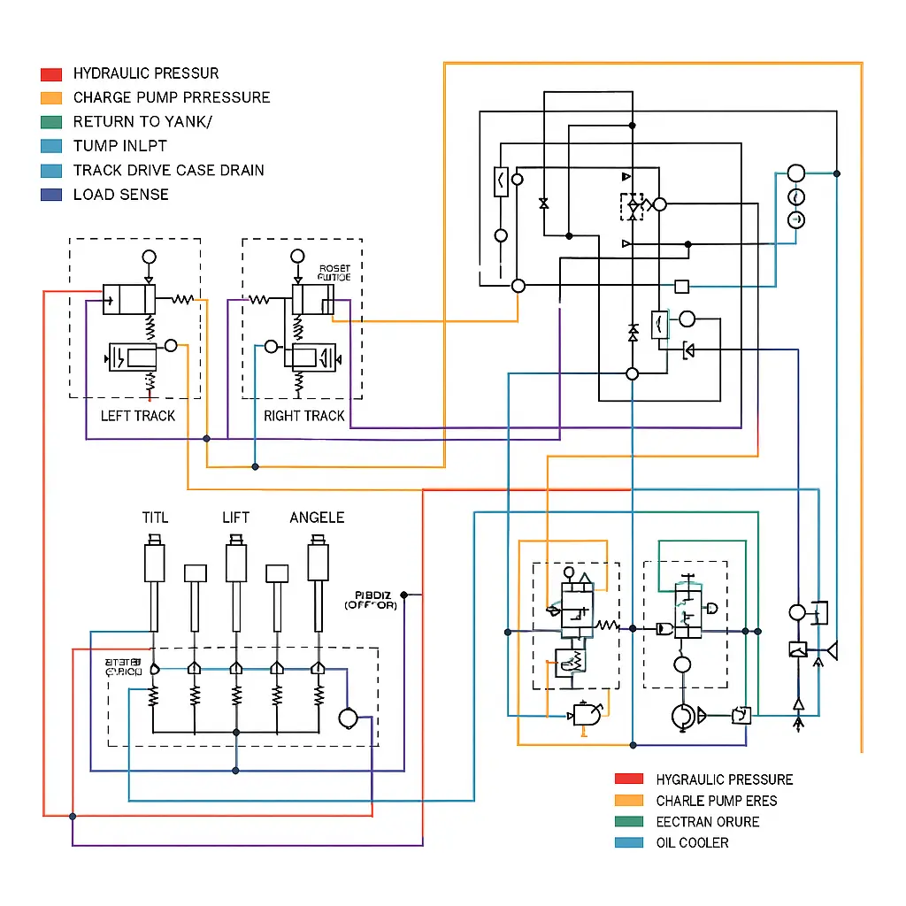
Document Type: Factory Hydraulic Schematic
Part Number: RAC #47714316
Format: Color-coded PDF
Language: English
- Coverage: Complete hydraulic architecture for the 2050M dozer, including track drive, implement functions, charge and pilot systems, fan drive, and ripper circuits.
Color Legend:
• Red – Hydraulic Pressure • Orange – Charge Pump Pressure • Blue – Return to Tank • Green – Load Sense
• Purple – Track Drive Case Drain
Coverage
Overview and Circuit Legend
• Pressure and flow color coding
• Symbols for check valves, restrictors, filters, and oil coolers
• Circuit connection conventions (connected vs. crossing lines)Main Hydraulic Systems
• Track Drive Circuits: Left and right drive motor assemblies, solenoid valves, motor flushing, and speed sensors
• Implement Circuits: Tilt, lift, and angle spools with load-sense feedback and regeneration
• Charge & Pilot Systems: Charge filters, pressure switches, pilot accumulator, and neutral override valve
• Fan Drive Circuit: Fan motor, reversing valve, and control solenoids
• Ripper System: Hydraulic cylinders and spool control (optional attachment)Key Components
1. Track Drive Motors (Left/Right) 2. Speed Sensors 3. Motor Control Solenoids
4. Oil Cooler 5. Brake Release Valves 6. Implement Pump & Valve Block
7. Fan Drive Motor 8. Load Sense Relief Valve 9. Pilot On/Off Solenoid
10. Hydraulic Reservoir and Charge Filter AssemblyPerformance Specifications
• Main Pressure: 420 bar
• Charge Pressure: 28 bar
• Pilot Pressure: 16 bar
• Implement Circuit Pressure: 280 ± 5 bar
Delivery
The download link will be sent to your email instantly after payment.






Abrites AVDI J2534
Actia Multi-Diag
Autoland iSCAN
Bobcat Diagnostic Kit
BMW ENET
Bosch Mastertech II J2534
Bosch MTS 6531
CAN CLIP RLT2002
CarDAQ-Plus 3
Cummins INLINE Datalink
Dearborn Protocol Adapter (DPA) 5
Delphi/Autocom DS150E
DrewLinQ
Volvo VIDA DiCE
Derelek USB DIAG 3
Electronic Data Link (EDL) 2
Electronic Data Link (EDL) 3
GM MDI 1
GM MDI 2
HEX-V2 VCDS VAG-COM
Isuzu IDSS IDS MX1
Isuzu IDSS IDS MX2
Iveco Eltrac E.A.SY. ECI
MaxiFlash Elite J2534
MB Star C6
Mongoose J2534
Nexiq USB-Link 1
Nexiq USB-Link 2
Nexiq USB-Link 3
Noregon DLA+ 2.0
Porsche PIWIS TESTER 3 (PT3G)
PSA LEXIA 3
SAE J2434
Scania VCI 3
Scanmatik 2 PRO
SD Connect Multiplexer
Tactrix OpenPort 2.0
Toyota TIS Mini VCI
VAG ODIS VAS5054 Clone
VAG ODIS VAS6154 Clone
Volvo VOCOM 1
Volvo VOCOM 2
Xentry VCI
Yanmar Diagnostic Interface Box (IFBOX)

Reviews
Clear filtersThere are no reviews yet.